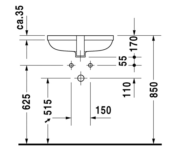
台下式脸盆, 有溢水口, 无龙头安装台, 包括镀铬溢水夹, 包含安装木质台面配件, 480 mm 附加信息 台下式脸盆尺寸指的是脸盆内部尺寸 sieger design 设计 尺寸 480 mm 可变形式 • 没有龙头孔 0457480000